-
- Tổng tiền thanh toán:

Kích thước chậu rửa mặt phổ biến
Lavabo hay chậu rửa mặt là vật dụng không thể thiếu trong nhà vệ sinh hiện đại. Tuy nhiên, lựa chọn kích thước chậu rửa mặt như thế nào cho phù hợp với thiết kế nhà vệ sinh và trong sinh hoạt gia đình. Trong bài viết sau đây, Showroom Đăng Nguyên xin hướng dẫn các bạn cách lựa chọn kích thước chậu rửa mặt phù hợp nhất.
Lý do cần chú ý đến kích thước chậu rửa mặt
Khi bạn nắm được thông số về kích thước của chậu rửa mặt như chiều rộng, chiều sâu, chiều cao, bạn có thể:
-
Dễ dàng ước tính sử dụng sản phẩm chậu rửa nào cho phù hợp với không gian và diện tích nhà vệ sinh.
-
Tùy vào các thành viên trong gia đình để lựa chọn cho phù hợp.
-
Tránh được việc mất thêm chi phí, đổi trả và có thể lắp đặt dễ dàng và chính xác khi đã xác định được kích thước chậu rửa.
-
Kích thước bồn rửa mặt hợp lí, hài hòa với không gian giúp đem lại tính thẩm mỹ cho phòng tắm, nhà vệ sinh và các không gian xung quanh.
Kích thước chậu rửa mặt chuẩn nhất theo thiết kế
Kích thước chậu rửa tay treo tường
Chậu rửa mặt treo tường là một trong những chậu rửa phổ biến nhất hiện nay. Với kích thước nhỏ gọn phù hợp với tất cả các không gian, thậm chí kể cả những phòng tắm, nhà vệ sinh nhỏ nhất.
Kích thước chậu rửa mặt treo tường thông dụng hiện nay:
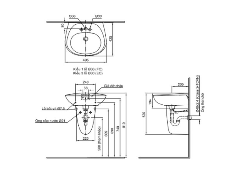
Chậu rửa mặt treo tường chân lửng Inax L-284V, kích thước sản phẩm: 495 x 425 x 522 mm.

Chậu rửa mặt treo tường chân lửng Inax L-312V, kích thước: 530 x 435 x 196 (mm).

Kích thước chậu rửa âm bàn
Chậu rửa âm bàn được thiết kế với phần lòng chậu nằm chìm xuống mặt bàn một cách thẩm mỹ, tạo nên không gian hiện đại cho phòng tắm. Hiện có 2 loại chậu âm bàn là chậu âm bàn toàn phần và chậu âm bàn dương vành. Chậu rửa mặt âm bàn phù hợp với nhiều không gian phòng tắm, nhưng thích hợp nhất vẫn là các phòng tắm có không gian rộng rãi, thông thoáng. Chậu âm bàn thường được đặt trên mặt đá rộng từ 600mm trở lên.
Kích thước chậu rửa mặt âm bàn thông dụng hiện nay:
-
Chậu âm bàn L-2395VFC: 575x 455x174 mm

Chậu rửa Inax Âm bàn L-2094VFC: 589 x 515 x 190 mm

Kích thước chậu rửa mặt đặt bàn
Sự ra đời của chậu rửa mặt đặt bàn (dương bàn) đã mang đến một luồng gió mới trong việc thiết kế không gian phòng tắm. Với các thiết kế hiện đại, trẻ trung, đa dạng và có thể là điểm nhấn cho phòng tắm, chậu rửa dương bàn được người tiêu dùng rất ưa chuộng. Phần mặt bàn còn lại có thể tận dụng để trang trí hoặc để các đồ vệ sinh cá nhân.
Kích thước chậu rửa mặt đặt bàn thông dụng hiện này là: 500 x 155 x 500 (mm).
Kích thước chậu rửa mặt chuẩn nhất theo hình dạng
Chậu rửa mặt dạng vuông
Chậu rửa mặt dạng vuông thường có kiểu dáng độc đáo, sang trọng, tinh tế, phù hợp với các không gian nội thất mang phong cách hiện đại, thời trang.
Kích thước của lavabo vuông có thường là: 450 x 160 x 450 (mm).
Chậu rửa mặt dạng tròn
Chậu rửa mặt dạng tròn được thiết kế một cách cẩn thận và chi tiết để tạo ra các đường cong mềm mại, hiện đại. Sản phẩm phù hơp với các không gian phòng tắm nhỏ gọn, tiết kiệm được tối đa diện tích cho người sử dụng. Các dòng sản phẩm chậu rửa tròn thượng được lựa chọn để tăng tính thẩm mỹ nhờ kiểu dáng uyển chuyển, mềm mại tôn lên vẻ đẹp nhẹ nhàng cho không gian phòng tắm.
Kích thước thông thường của chậu rửa mặt hình tròn là: 425 x 165 x 425 (mm).
Chậu rửa mặt hình chữ nhật
Chậu rửa mặt hình chữ nhật thường được lựa chọn cho các nhà tắm có không gian rộng rãi. Không giống các chậu rửa mặt đã nêu ở trên, chậu rửa hình chữ nhật có kích thước tương đối lớn, phù hợp cho nhà tắm có tiêu chí tinh tế, hiện đại, sang trọng.
Liên hệ:
Hotline1: 0969.549.889
Hotline 2: 024.6686.9839
Facebook: https://www.facebook.com/showroomdangnguyenhn/
Email: showroomdangnguyen@gmail.com
Hà Nội:
SHOWROOM HÀ NỘI: 12-B2 Shophouse 24H, Đường Tố Hữu, Phường Vạn Phúc, Quận Hà Đông
VĂN PHÒNG ĐẠI DIỆN: 16A Lý Nam Đế, Phường Hàng Mã, Quận Hoàn Kiếm
Thanh Hóa:
SHOWROOM THANH HÓA 1: 74 Đinh Công Tráng, Phường Ba Đình
SHOWROOM THANH HÓA 2: 104 Đinh Công Tráng, Phường Ba Đình
SHOWROOM THANH HÓA 3: HH9-56 Đại lộ Châu u, Vinhomes Star City
VĂN PHÒNG THANH HÓA: Lô CC1, Khu Công Nghiệp Tây Bắc Ga, Phường Đông Thọ
KHUYẾN MẠI
LIÊN HỆ TƯ VẤN
HỆ THỐNG CỬA HÀNG