-
- Tổng tiền thanh toán:

Kích thước chậu rửa bát thông dụng nhất hiện nay
Chậu rửa bát là một trong những vật dụng quan trọng nhất trong nhà bếp. Tuy nhiên, lựa chọn kích thước chậu rửa bát như thế nào để phù hợp và tiện dụng nhất cho gia đình thì là một câu hỏi khó với các bạn đang xây nhà hoặc sửa chữa khu vực bếp. Showroom Đăng Nguyên xin chia sẻ đến các bạn kinh nghiệm lựa chọn kích thước chậu rửa bát thông dụng nhất hiện nay qua bài viết dưới đây.
Phân loại chậu rửa bát
Phân loại theo kích thước chậu rửa bát:
Chậu rửa bát 1 hố: Với thiết kế nhỏ gọn, chậu rửa bát 1 hố thường được lựa chọn cho các không gian bếp có kích thước bé, mức độ sử dụng thấp. Chậu bếp 1 hố sẽ có 2 loại: chậu bếp 1 hố có bàn và không có bàn. Kích thước chậu rửa bát một hố phổ biến hiện nay: 60x45x24cm, 45x40x24cm, 54x44x25cm, 58x48x20cm…

Chậu rửa bát 2 hố: Chậu rửa đôi thực sự phù hợp cho các gia đình có sở thích nấu nướng và không gian bếp có diện tích rộng rãi. Kích thước chậu bếp đôi thường tương đối lớn, nên thường là sự lựa chọn phổ biến của những người nội trợ. Các kích thước của những mẫu chậu rửa bát hai hố phổ biến hiện nay: 78x43x24cm, 80x44x22cm, 105x44x20cm, 106x49x23cm, 82x45x24cm…

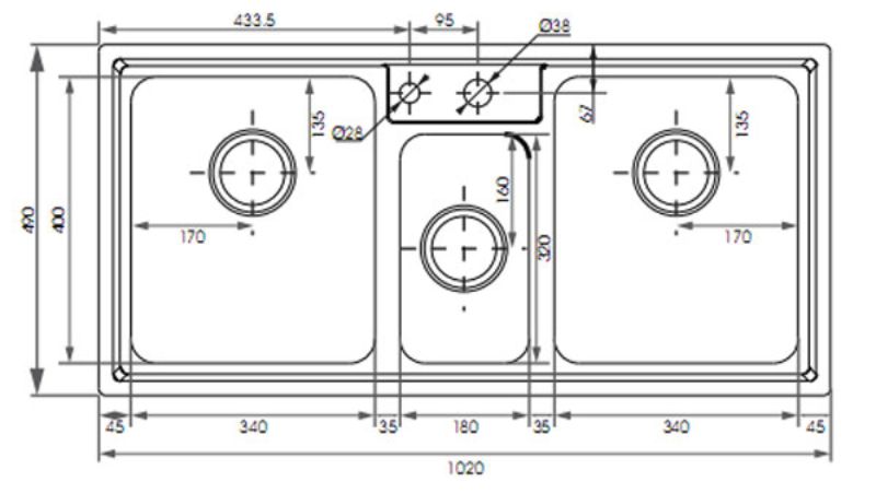
Chậu rửa bát 3 hố: Đối với các gia đình có nhiều thành viên hoặc hay thường xuyên có cỗ bàn, mẫu chậu 3 hố được sinh ra để đáp ứng nhu cầu trên. Với thiết kế 2 hố lớn và 1 hố nhỏ để tăng công năng sử dụng cho việc rửa nhiều bát đĩa. Tuy nhiên, mẫu chậu 3 hố yêu cầu kích thước không gian bếp lớn để có thể lắp đặt, kích thước cơ bản mẫu chậu này là: 00x50x18.5cm, 97×45.5x22cm, 98.5×45.5x20cm…

Phân loại theo chất liệu chậu rửa bát:
-
Chậu rửa bát bằng Inox 201: Đây là mẫu chậu có giá thành rẻ, bề mặt chậu nhẵn mịn, trơn. Phù hợp với các khách hàng không có yêu cầu quá cao về chất lượng.
-
Chậu rửa bát bằng Inox 304: Đây là mẫu chậu được ưa chuộng nhất trên thị trường. Với chất liệu Inox 304 cao cấp, mẫu chậu này thường có thiết kế đẹp, phù hợp thẩm mỹ, chất liệu bền đẹp trong quá trình sử dụng lâu dài. Mức giá mặc dù cao hơn Inox 201, nhưng vẫn rất phù hợp với đa số khách hàng.
-
Chậu rửa bát bằng chất liệu đá: Được làm bằng chất liệu đá tự nhiên hoặc nhân tạo, chậu rửa đá có tính thẩm mỹ rất cao và bền. Phù hợp với các căn bếp sang trọng, hiện đại. Tuy nhiên, đa số chậu bếp bằng đá là chậu bếp nhập khẩu nên giá thành tương đối cao.
Top kích thước chậu rửa bát bán chạy
Chậu 1 hố 8248/7046/6248 Daeshin (vòi bếp cắm trên chậu)
-
Bên ngoài bọc xốp PE cao cấp : hạn chế tối đa hiện tượng hấp hơi nước bề mặt chậu mùa nồm ẩm, chống ồn, vệ sinh dễ dàng.
-
Bầu thoát to phi 16,2 cm, dây thoát là chất liệu nhựa ABS (chất liệu nhựa cap cấp nhất hiện nay chuyên dùng cho y tế, thực phẩm,...), chống mùi (nắp 3 cạnh ), chứa lớn, thoát nhanh, dễ vệ sinh.
-
Giỏ rác là inox : Lớn, ngăn các loại rác tránh gây tắc đường ống,, dễ vệ sinh.


Chậu 2 hố 8246/7846/84448 Daeshin (vòi bếp cắm trên chậu)
-
Bên ngoài bọc xốp PE cao cấp : hạn chế tối đa hiện tượng hấp hơi nước bề mặt chậu mùa nồm ẩm, chống ồn, vệ sinh dễ dàng.
-
Bầu thoát to phi 16,2 cm, dây thoát là chất liệu nhựa ABS (chất liệu nhựa cap cấp nhất hiện nay chuyên dùng cho y tế, thực phẩm,...), chống mùi (nắp 3 cạnh ), chứa lớn, thoát nhanh, dễ vệ sinh.
-
Giỏ rác là inox : Lớn, ngăn các loại rác tránh gây tắc đường ống,, dễ vệ sinh.

Chậu rửa bát đá Hafele HS20-GKD2S80
-
Màu sắc: Đen/xám/kem
-
Chất liệu: Đá nhân tạo Granite Hafele
-
Hạn chế tối thiểu tiếng ồn khi xả nước
-
Khả năng chịu va đập rất tốt, bền hơn so với chậu inox
-
Chống chày xước nhờ chất liệu đá granite

Cách chọn mua chậu rửa bát
Ngoài việc lưu ý về kích thước, Showroom Đăng Nguyên sẽ đưa cho bạn thêm một số lời khuyên khi chọn lựa sản phẩm chậu rửa bát phù hợp với nhu cầu sử dụng:
Lựa chọn kiểu dáng phù hợp: Nếu gia đình bạn có ít thành viên hoặc bạn đang sống một mình, chậu rửa bát 1 hố sẽ là lựa chọn tối ưu cho bạn. Với kích thước nhỏ gọn, tiết kiệm diện tích và giá thành thấp sẽ là lựa chọn phù hợp cho bạn.
Còn nếu gia đình bạn có từ khoảng 3-4 thành viên, không gian bếp rộng rãi, thoáng đãng thì có thể lựa chọn các mẫu chậu rửa bát 2 hố.
Lựa chọn theo giá thành: Nếu bạn là một người dư giả về tài chính, bạn hoàn toàn có thể lựa chọn mẫu chậu rửa bát bằng đá cao cấp, sang trọng. Nếu không, các mẫu chậu rửa inox 201 hay inox 304 cũng hoàn toàn là sự lựa chọn tuyệt vời dành cho bạn.
Lựa chọn thương hiệu uy tín: Nên chọn mua các sản phẩm chậu rửa đến từ các thương hiệu uy tín, có nguồn gốc xuất xứ rõ ràng. Một số thương hiệu chậu rửa được người tiêu dùng ưa chuộng hàng đầu hiện nay có thể kể đến như: Hafele, Daeshin, Ecofa...
Chọn mua ở các địa chỉ chính hãng: Khi mua chậu rửa bát, bạn nên tham khảo và đặt mua sản phẩm ở các địa chỉ là nhà cung cấp chính hãng để được đảm bảo về chất lượng cũng như chính sách bảo hành của sản phẩm.
Liên hệ:
Hotline1 : 0969.549.889
Hotline 2: 024.6686.9839
Facebook: https://www.facebook.com/showroomdangnguyenhn/
Email: showroomdangnguyen@gmail.com
Hà Nội:
SHOWROOM HÀ NỘI: 12-B2 Shophouse 24H, Đường Tố Hữu, Phường Vạn Phúc, Quận Hà Đông
VĂN PHÒNG ĐẠI DIỆN: 16A Lý Nam Đế, Phường Hàng Mã, Quận Hoàn Kiếm
Thanh Hóa:
SHOWROOM THANH HÓA 1: 74 Đinh Công Tráng, Phường Ba Đình
SHOWROOM THANH HÓA 2: 104 Đinh Công Tráng, Phường Ba Đình
SHOWROOM THANH HÓA 3: HH9-56 Đại lộ Châu u, Vinhomes Star City
VĂN PHÒNG THANH HÓA: Lô CC1, Khu Công Nghiệp Tây Bắc Ga, Phường Đông Thọ
KHUYẾN MẠI
LIÊN HỆ TƯ VẤN
HỆ THỐNG CỬA HÀNG